雨淋報警閥說明書
ZSFM型隔膜式雨淋報警閥
ZSFM型雨淋報警閥采用隔膜止回的原理,在隔膜的兩面通道的管路壓力基本平衡時,隔膜處于關閉狀態,當供水系統壓力大于管網噴水系統管路壓力時,隔膜能自動打開的一種單向止回閥,可和其它部件組成多種雨淋報警滅火系統,適用千醫院、賓館、商場、工廠、機場、娛樂場、圖書館、體育場、會展中心等自動噴水滅火系統。
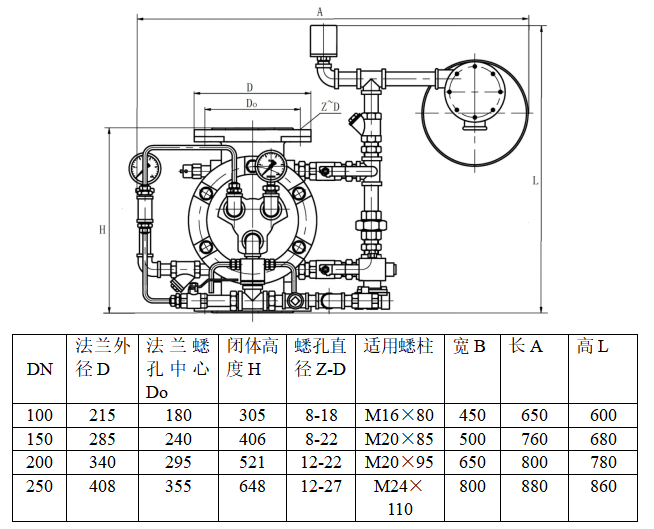
1、主要技術參數,外形連接尺寸:
額定工作壓力: 1.6MPa
密封試驗壓力: 3.2MPa
供水壓力范圍: 0. 14~1. 6MPa
報警性能: ≥0.05MPa
產品標準號: GB5135. 5-2018 《自動噴水滅火系統 第5部分:雨淋報警閥》
法蘭標準: GB∕T 17241.6-2008 《整體鑄鐵法蘭》
主要外形和連接尺寸
2、主要結構和工作原理
ZSFM型雨淋報警閥由體、蓋、隔膜等零件和管路附件、防復位器、電磁閥、壓力開關和水力警鈴等部件組成,隔膜關閉時、將閥體隔成上、下兩個部份,上部連接自動噴水滅火系統管網,下部與供水系統管網相接、蓋與隔膜在密封后形成一個有控制壓力的內腔, 有管路和閥休上部供水管路相連接 當內腔壓力與供水管路壓力基本平衡時,隔膜處于密封狀態(即伺應狀態),此時,供水系統無,法向管網供水,當隔膜控制室內壓力下降時,隔膜自動打開供水。
3、ZSFM型雨淋報警閥有以下兩種性能特點:
1) 在自動噴水滅火管網上安裝開式噴頭,平時管網無水,由隔膜將供水系統隔住,一旦隔膜打開,整個保護區的開式噴頭同時噴水撲滅火災,適用于易燃、易爆的堆棧和倉庫。
2) 用不同控制探測系統裝置控制隔膜的開啟壓力,形成濕式雨淋滅火報警系統。
濕式控制系統:由ZSFM雨淋報警閥和閉式噴頭組成,閉式噴頭管路有水,供水系統衱隔膜密封,當作為探測用的閉式噴頭受火災發生后熱度爆裂時,閉式噴頭噴水,管網壓力下降,隔膜室內壓力隨之下降,隔膜自動打開供水,噴頭開始噴水滅火,水力警鈴和壓力開關同時動作,但噴水的僅為破碎的閉式噴頭所處的區域不能大面積噴水。
4、安裝、調試與操作 :
1) 安裝:
a. 安裝前,管路應進行過沖洗和壓力試驗;
b.在搬運/起吊本閥時,應在兩法蘭頸部施力,嚴禁在管路附件上用力,防止變形和損壞;
c.本閥應垂直安裝在管路上,注意箭頭向上,如必須水平安裝時,請在訂貨時說明。安裝位置應考慮維修、保養和操作的足夠空間;
d.本閥所有排水口應用合適口徑的鍍鋅管或軟管連接到排水管路上;
e.電進閥應通過控制模塊接到電控柜上,電壓DC24V;
f.水力警鈴安裝時應記住,小口為進水口,水平安裝,大口為排水口,垂直安裝。
g.本閥兩端宜各安裝帶有信號同口徑的消防蝶閥,便于控制和維修,本公司可以為你配套合格的手輪傳動和蝸輪傳動的ZSXFD型消防用信號蝶閥。
2)調試:
a.安裝完成后,首先將進水口蝶閥關閉,水力警鈴的報警球閥處于常開位置,復位球閥緊急手動帶鎖球閥,測試警鈴球閥,放水球閥處于關閉狀態,關閉出水口蝶閥,開啟管路法蘭,這時,緩慢開啟進水口蝶閥,對ZSFM雨淋報警閥進行充水,在排除空氣后,關閉等余水完全排完后,關閉放水球閥,使ZSFM雨淋報警閥處于伺應狀態。
b. 水力警鈴測試:
關閉/開啟水力警鈴應當報警;
關閉排去警鈴中的余水后,開啟本閥回到伺應狀態。
c.電磁閥測試:
給常閉電進閥信號,電進閥開啟,隔膜應在15~30s內開啟并繼續保持開啟狀態,如電進閥意外信號中斷,隔膜仍然持續打開供水,此時,只要打開復位球閥, 隔膜在30s自動復位,重新處于伺應狀態。
d.泄漏測試
ZSFM雨淋報警閥少量泄洞由滴水閥完成,如長期滴水,說明隔膜密封性能不好,應進行修復。
3)操作
a.電控:各類探測系統發現火災后,傳遞信號給電控柜,電控柜發出指令打開電磁閥,隔膜打開供水。
b.自控:分散在管網上閉式噴頭受火災加溫爆破噴水或泄壓,隔膜控制腔壓力下降,隔膜自動打開供。
c.手控:火災發生時,火警探測系統尚未報警,在此緊急情況下,可以打開緊急手動帶鎖球閥。
d.報警: 隔膜打開后,供水系統供水,水流流入水力警鈴開始報警,壓力開關在有壓情況下發出電信號, 通過電控柜啟動消防水泵繼續供水,或啟動聲光報警器。
e.復位:關閉電磁閥和手動緊急帶鎖球閥,關閉放水球閥和其它管路閥門,由于控制腔壓力逐步上升,此時打開復位球閥,隔膜很快能復位密封,重新回到伺狀態。
5、維修和保養:
本閥應按規定每月巡檢一次,模擬操作一次,檢查各部件性能是否可靠,并應在關閉進出口兩端蝶閥后,清洗管路和過濾器上的水垢雜物,檢查隔膜有否老化和破損,清洗水力警鈴、防復位器各流量孔堵塞物,并記錄在案備查。
6、免責聲明:
安裝本產品前須進行管道沖洗,管道沖洗后應符合規范要求,否則導致我司產品故障或損壞,以及系統故障,我方概不負責。
產品推薦

