1. 簡介
IG100是由100%的氮氣經過物理方式處理而成,噴放到防護區后在短時間內會使防護區內的氧氣濃度降低到能支持燃燒的12.5%以下,從而對燃燒產生窒息作用實現滅火。氣體IG100中氮氣不會對人體造成傷害。
氣體IG100滅火系統具有以下獨特的優點:滅火劑完全由自然存在于大氣層的惰性氣體組成,噴放后對環境完全無損害;在規定的滅火濃度下對人體完全無害,可以在有人停留的場所安全地使用;滅火劑來源廣泛,可確保長期使用;滅火劑完全由惰性氣體組成,噴放后不會引起防護區內溫度急劇下降,對精密設備和其他珍貴財物無任何傷害。
氣體IG100滅火系統適用于保護封閉空間的場所,典型的火災危險場所包括:電氣和電子設備室,通訊設備室,國家保護文物中的金屬、紙絹質制品和音像檔案庫,易燃和可燃液體貯存空間及有可燃液體的設備用房,噴放滅火劑之前可切斷可燃氣體氣源的火災危險場所,經常有人停留而需設置氣體保護的場所。
不適用于撲救硝化纖維、硝酸納等氧化劑或含氧化劑的化學制品火災,鉀、鎂、鈉、鈦、鋯、鈾等活潑金屬火災,氫化鉀、氫化鈉等金屬氫化物火災,過氧化氯、聯胺等能自行分解的化學物質火災,可燃固體物質的深位火災。
滅火劑瓶組內的貯存壓力為15MPa,系統動作時噴嘴會噴放出高壓氣體,可能對噴嘴附近人員或物體造成傷害。
2. 主要技術參數
2.1 20℃貯存壓力:15MPa
2.2 15MPa滅火劑瓶組規格/充裝量:80L/13.7Kg、90L/15.6kg
20MPa滅火劑瓶組規格/充裝量:80L/18.3Kg、82L/18.7Kg、90L/20.6kg
2.3 最大工作壓力(50℃):17.2MPa和23.2MPa
2.4 啟動方式:電磁啟動、機械應急啟動
2.5 驅動氣體瓶組氣源壓力:6.0±1.0Mpa(20℃)
2.6 驅動裝置啟動電源:DC24V/1.5A
2.7 滅火劑噴放時間:≤60s
2.8 防護區環境溫度:0℃~50℃
2.9 儲瓶間環境溫度:0℃~50℃



5.1.5. 維護說明:
1)每月進行兩次外觀檢查,應無碰撞變形及其他機械性損傷,表面應無銹蝕,保護涂層應完好,銘牌應清晰,手動操作裝置的防護罩、鉛封和安全標志應完整。
2)每五年進行一次全面檢查維修,包括強度試驗、密封性試驗、動作試驗等,更換密封件、膜片及其他易損件等。
5.1.6. 注意事項:
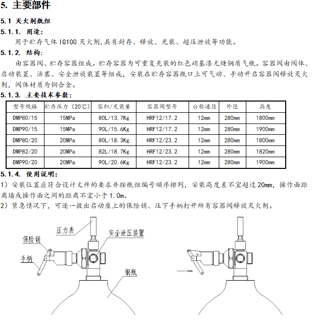
容器閥上的保險銷是用于鎖定凸輪撥桿的,僅在機械手動啟動容器閥時必須先拉出保險銷才能扳下凸輪撥桿,而鎖定凸輪撥桿并不影響容器閥的氮氣驅動。
5.1.7. 滅火劑灌裝方法
1)把試驗合格的滅火劑瓶組送到專業氣體生產廠家。
2)固定滅火劑瓶組,緊固安全帶,用專用連接管連接滅火劑瓶組上的容器閥、二氧化碳儲罐、氬氣儲罐、氮氣儲罐,并檢查各連接已緊固;
3)緩緩打開二氧化碳儲罐的出口閥門,密切監視瓶組容器閥、儲罐出口閥門及連接管,如發現異常應立即關閉儲罐出口閥門,停止灌裝作業并將瓶組卸到隔離區待處理;
4)當灌裝到設定壓力值時關閉二氧化碳儲罐的出口閥門;
5)打開氬氣儲罐的出口閥門,當灌裝到設定壓力值時關閉氬氣儲罐的出口閥門;
6)打開氮氣儲罐的出口閥門,當灌裝到設定壓力值時關閉氮氣儲罐的出口閥門;
7)卸下連接管和容器閥上的啟動器,裝上誤噴射防護裝置后移至已灌裝瓶組堆放區;
8)在經放置48小時的瓶組的容器閥上裝上IG100滅火系統專用壓力表檢查貯存壓力,壓力表的指針應在綠區的2/3以上但不超出綠區;
9)符合要求的瓶組再做水槽密封試驗,3min內各連接部位無氣泡的判定為合格品。
10)在灌裝合格的瓶組上裝好防撞蓋帽,移到合格瓶組堆放區,并做好成品保護。
5.2 驅動氣體瓶組
5.2.1.用途:
用于貯存啟動氣體(高壓氮氣),電動或手動啟動,釋放啟動氣體打開選擇閥和滅火劑瓶組的容器閥,具有封存、釋放、充裝、壓力顯示等功能。
5.2.2. 結構:
由啟動容器閥和啟動氣體貯存容器組成,啟動容器閥的材質為銅合金,刀片和膜片材質為不銹鋼,貯存容器是可重復充裝的鋼質無縫容器。


5.3.4. 使用說明:
1) 電磁鐵的兩根引線不分極性;
2) 安裝后應仔細逐一檢查,確保接頭緊固連接;
3) 保險銷是為防止運輸、安裝、調試過程中因碰撞、震動等使閘刀誤動作而設,設備投入使用前,需抽出保險銷,否則啟動容器閥不能打開;
4) 電磁鐵動作檢查:在試驗電磁鐵的動作性能時,應小心從容器閥上卸下電磁鐵,此時鐵芯便因失去支撐而下落,此狀態下鐵芯已是處于動作位置。因此試驗電磁鐵時,應倒置電磁鐵以使鐵芯復位,然后平放電磁鐵,再向電磁鐵里插入一個作位置參考的小棒,向電磁鐵接通不低于18V的直流電(容量不小于1.5A),鐵芯將馬上推動小棒沖出電磁鐵。使用小棒還可以測量鐵芯的行程,以檢驗閘刀能否到達并有余量刺穿膜片。
5.3.5.維護說明:
1) 每月進行外觀檢查,無碰撞變形及機械性損傷、表面無銹蝕方可繼續使用;
2) 每年進行電磁鐵動作試驗,合格方可繼續使用。
5.4 選擇閥
5.4.1.用途:
用于組合分配系統,一端連接集流管,一端與防護區管網連接,平時關閉,氣動或手動方式開啟。系統啟動時,由電磁驅動裝置釋放出啟動氣體順序打開通向發生火災的防護區對應選擇閥和滅火劑瓶組容器閥,將滅火劑釋放到該防護實施滅火。








7. 滅火劑灌裝方法
7.1 把試驗合格的滅火劑瓶組送到專業氣體生產廠家。
7.2 固定滅火劑瓶組,緊固安全帶,用專用連接管連接滅火劑瓶組上的容器閥、二氧化碳儲罐、氬氣儲罐、氮氣儲罐,并檢查各連接已緊固;
7.3緩緩打開二氧化碳儲罐的出口閥門,密切監視瓶組容器閥、儲罐出口閥門及連接管,如發現異常應立即關閉儲罐出口閥門,停止灌裝作業并將瓶組卸到隔離區待處理;
7.4 當灌裝到設定壓力值時關閉二氧化碳儲罐的出口閥門;
7.5 打開氬氣儲罐的出口閥門,當灌裝到設定壓力值時關閉氬氣儲罐的出口閥門;
7.6 打開氮氣儲罐的出口閥門,當灌裝到設定壓力值時關閉氮氣儲罐的出口閥門;
7.7 卸下連接管和容器閥上的啟動器,裝上誤噴射防護裝置后移至已灌裝瓶組堆放區;
7.8 在經放置48小時的瓶組的容器閥上裝上IG100滅火系統專用壓力表檢查貯存壓力,壓力表的指針應在綠區的2/3以上但不超出綠區;
7.9 符合要求的瓶組再做水槽密封試驗,3min內各連接部位無氣泡的判定為合格品。
7.10 在灌裝合格的瓶組上裝好防撞蓋帽,移到合格瓶組堆放區,并做好成品保護。
8. 系統維護
8.1 日常維護:每月應對氣體滅火系統進行兩次檢查,檢查內容及要求應符合下列規定:
8.1.1 對滅火劑瓶組、驅動氣體瓶組、選擇閥、單向閥、高壓軟管、集流管、減壓裝置、管道與噴嘴等全部系統組件進行外觀檢查。系統組件應無碰撞變形及其他機械性損傷,表面應無銹蝕,保護涂層應完好,銘牌應清晰,手動操作裝置的防護罩、鉛封和安全標志應完整。
8.1.2驅動氣體瓶組的壓力表指針不應掉出表盤綠區,需補氣或全面檢查、充裝。
8.2年度維護:每年應對氣體滅火系統進行兩次全面檢查,檢查內容和要求除按月檢規定的檢查外,尚應符合下列規定:
8.2.1防護區的開口情況、防護區的用途及可燃物的種類、數量、分布情況,應符合設計規定。
8.2.2滅火劑儲瓶間設備、滅火劑輸送管道和支、吊架的固定,應無松動。
8.2.3高壓軟管,應無變形、裂紋及老化;必要時,應按對每根高壓軟管進行水壓強度試驗和氣壓嚴密性試驗。
8.2.4各噴嘴孔口,應無堵塞。
8.2.5滅火劑的輸送管道有損傷與堵塞現象,則應對其進行嚴密性試驗和吹掃。
8.2.6 對每個防護區進行一次模擬自動啟動試驗,如有不合格項目,則應對相關防護區進行一次模擬噴氣試驗。
8.3全面維護:每五年對系統和瓶組、閥件、管道進行一次全面檢查維修,包括強度試驗、密封性試驗、動作試驗等,更換密封件、膜片及其他易損件等。
9. 售后服務
9.1 質保期內服務
驗收合格后一年內,我公司免費對設備、系統出現的各種質量缺陷、故障(非使用單位工作人員操作所致,包括出現漏氣及誤動作后的充氣)予以修復、更換,并免費協助解決有關技術問題、協助使用單位對本系統的運營管理和維護以及操作人員、維護人員的技術培訓等。
9.2質保期滿后服務
我公司在產品質保期滿后可提供一定范圍內的有償維修保養服務,具體內容需視實際情況而定。
使用說明書 IG100氣體滅火設備(15MPa - 20MPa).pdf
產品推薦

