1. 簡介
1.1 七氟丙烷(HFC-227ea)滅火劑具有清潔(在大氣中完全汽化不留殘渣)、低毒(無毒性反應濃度NOAEL=9%)、良好電絕緣性、滅火效率高、不破壞大氣臭氧層(對臭氧層的耗損潛能值ODP=0,溫室效應潛能值GWP=0.6,大氣中存留壽命ALT=31年)的特點,是替代鹵代烷滅火劑的潔凈氣體中的較優者。
七氟丙烷的滅火機理與鹵代烷系列滅火劑的滅火機理相似,屬于化學滅火的范疇,通過滅火劑的熱分解產生含氟的自由基,與燃燒反應過程中產生支鏈反應的H+、OH-、O2-活性自由基發生氣相作用,從而抑制燃燒過程中化學反應來實施滅火。
七氟丙烷滅火系統適用于以全淹沒滅火方式撲救電氣火災、液體火災或可熔固體火災、固體表面火災、滅火前能切斷氣源的氣體火災,保護計算機房、通訊機房、變配電室、精密儀器室、發電機房、油庫、化學易燃品庫房及圖書庫、資料庫、檔案庫、金庫等場所。
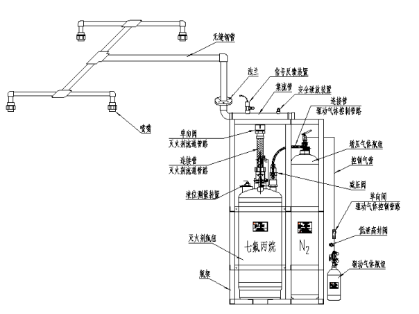
1.2 外貯壓式七氟丙烷滅火系統是將七氟丙烷滅火劑和增壓氮氣分別貯存于不同的瓶組內,啟動時把增壓氮氣充入滅火劑瓶組,使滅火劑瓶組內的壓力迅速升高,推動滅火劑高速通過管路系統及噴嘴,實施噴放滅火。
由于滅火劑和增壓氮氣分別貯存于不同瓶組,不存在氮氣溶解于滅火劑的現象,在滅火劑輸送過程中不會釋放氮氣,避免了氣囊和雙相流現象的發生。氮氣推動液態七氟丙烷滅火劑在管路中以單相流體流動,其流動性能得以優化。
平時滅火劑瓶組內的壓力僅為滅火劑的飽和蒸汽壓,瓶組的充裝密度可大大提高;通過增壓氣體定值減壓裝置輸出的壓力和增壓氮氣量的適當配置,可顯著提高管路末端噴嘴的入口壓力,以較小通徑的管道輸送更遠的距離,并改善滅火劑噴放的霧化效果以增強滅火效果。
不適用于撲救硝化纖維、硝酸納等氧化劑或含氧化劑的化學制品火災,鉀、鎂、鈉、鈦、鋯、鈾等活潑金屬火災,氫化鉀、氫化鈉等金屬氫化物火災,過氧化氯、聯胺等能自行分解的化學物質火災,可燃固體物質的深位火災。
本系統充裝的滅火劑在滅火時會分解產生一定量的氟化氫氣體,高濃度氟化氫氣體可能對人員造成傷害。
2. 主要性能參數
系統類別 | 4.2MPa外貯壓系統 | 5.6MPa外貯壓系統 |
瓶組規格 | 90/120/150/180(L) | 90/120/150/180(L) |
滅火劑瓶組貯存壓力 | 0.3MPa | |
滅火劑瓶組工作壓力 | 4.2MPa | 5.6MPa |
滅火劑瓶組最大工作壓力(+50℃) | 5.3MPa | 8.0MPa |
增壓氣體瓶組充裝壓力(+20℃) | 13.5MPa | |
增壓氣體瓶組最大工作壓力(+50℃) | 15MPa | |
驅動氣體瓶組充裝壓力(+20℃) | 6MPa | |
驅動氣體瓶組最大工作壓力(+50℃) | 6.6MPa | |
電磁驅動裝置啟動電源 | DC24V/1.5A | |
滅火劑最大充裝密度 | 1250Kg/m3 | |
滅火劑最大噴放時間 | 10s | |
工作溫度范圍 | 0℃~50℃ | |
滅火劑瓶組噴放剩余量 | ≤2Kg/瓶組 | |
啟動方式 | 電磁自動啟動、手動啟動、機械應急啟動 | |
3. 結構示意圖
3.1單元獨立系統
指由一套滅火劑瓶組保護一個防護區的系統形式。
3.2 組合分配系統
用一套滅火劑瓶組通過多個選擇閥的選擇,保護多個(最多8個)防護區的系統形式。

4. 控制流程圖

5. 主要部件
5.1 滅火劑瓶組
5.1.1. 用途:
用于儲存七氟丙烷滅火劑,具有封存、釋放、充裝、超壓泄放、液位測量等功能。
5.1.2. 結構:
由容器閥、虹吸管、減壓裝置、液位測量裝置、儲存容器組成。增壓氣
5. 主要部件
5.1 滅火劑瓶組
5.1.1. 用途:
用于儲存七氟丙烷滅火劑,具有封存、釋放、充裝、超壓泄放、液位測量等功能。
5.1.2. 結構:
由容器閥、虹吸管、減壓裝置、液位測量裝置、儲存容器組成。增壓氣體進入減壓裝置經減壓后注入瓶組內,同時通過管路氣動打開容器閥釋放滅火劑。
5.1.3. 主要技術參數:
工作壓力 | 型號規格 | 容積 | 容器閥型號 | 公稱通徑 (mm) | 減壓閥額定 輸出壓力MPa | 等效長度 (m) | 外徑 (mm) | 高度 (mm) |
4.2 MPa | QMP90/4.2 | 90 L | QRF50/5.3W | 50 | 4.20-0.42 | 10.89 | 416 | 1190 |
QMP120/4.2 | 120 L | 11.12 | 416 | 1420 | ||||
QMP150/4.2 | 150 L | 11.37 | 470 | 1460 | ||||
QMP180/4.2 | 180 L | 11.35 | 520 | 1440 | ||||
5.6MPa | QMP90/5.6 | 90 L | QRF50/8.0W | 50 | 5.60-0.56 | 10.89 | 416 | 1190 |
QMP120/5.6 | 120 L | 11.12 | 416 | 1420 | ||||
QMP150/5.6 | 150 L | 11.37 | 470 | 1460 | ||||
QMP180/5.6 | 180 L | 11.35 | 520 | 1440 |
5.1.4. 使用說明:
a.外觀檢查:應無碰撞變形及其他機械性損傷,表面應無銹蝕,保護涂層應完好,銘牌應清
晰;
b.壓力表:特別說明:滅火劑瓶組正常貯存情況下,因為內部只是貯存的純七氟丙烷純滅火
劑,滅火劑在液態貯存時自然壓力值為 0.3-04MPa 之間壓力,普通機械表指針無法顯示出來實
際壓力值,滅火劑瓶組是靠液位測量裝置連接報警箱來作檢測的,平時不以壓力值為檢測作
為標準,靠壓力不能確定滅火劑泄漏與否,平時滅火劑瓶組上那個壓力表只有在噴放時才有
壓力顯示,顯示動力瓶氮氣經過減壓后進入滅火劑瓶組內的實際壓力值,具體可看企業標準,
外貯壓設備屬技術鑒定產品,參照各企業標準,這種產品不是內貯壓產品原理不同。
c. 每五年進行一次全面檢查維修,包括強度試驗、密封性試驗、動作試驗等,更換密封
件及其他易損件等。
5.1.5. 維護說明:
1)每月進行兩次檢查,檢查內容及要求應符合下列規定:
a.外觀檢查:應無碰撞變形及其他機械性損傷,表面應無銹蝕,保護涂層應完好,銘牌應清晰;
b.壓力表指針:不應掉出表盤綠區,否則需補氣或全面檢查、充裝。
2)每五年進行一次全面檢查維修,包括強度試驗、密封性試驗、動作試驗等,更換密封件及其他易損件等。
5.1.6. 注意事項:
1)在運輸過程中不得橫臥,不得利用減壓閥、容器閥、壓力啟動器或連接管路作為對瓶組的施力工具點或握持點;
2)在安裝過程中不得利用瓶組及瓶組上的外凸部件作為攀登、墊腳的工具。
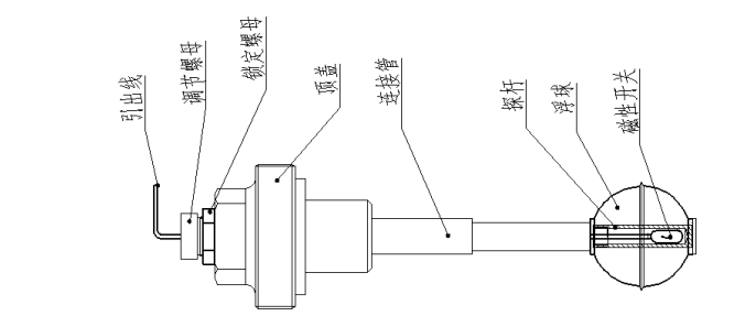
5.2 液位測量裝置
5.2.1 用途:
液位測量裝置安裝在滅火劑瓶組上,用于測量滅火劑的泄漏量,當泄漏量達到充裝質量的5%時無源觸點閉合,輸出信號至氣體滅火控制器啟動聲光報警,提醒相關人員處理。
5.2.2 結構:
由探桿及其上的磁性開關、連接管、頂蓋、鎖定螺母、調節螺母和引出線構成。
5.2.3 主要技術參數:
型號 | 最大測量高度 |
QYJ600 | 600mm |
5.2.4 安裝使用說明:
1)按照滅火劑的充裝質量計算大概液面高度,調節好探桿的位置讓磁性開關在當前液面動作,在這
個位置做好標記;
2)按照 0.177kg/mm(90L/內徑 400mm)、0.224kg/mm(120L、150L/內徑 450mm)或 0.276kg/mm(180L/內徑 500mm)計算 5%的滅火劑充裝質量所對應的液位降低高度,把探桿調節到相應位置并做好標志。
3)對每個瓶組配套有滅火劑泄露報警器檢測,判定合格方可正常使用。先打開報警器后蓋螺絲, 如下圖(圖一和圖二)所示按瓶組編號對應 PCB 板上貼好序號接線,每個報警器可以檢測 20 個滅火劑瓶組。
5.2.5維護說明:
4)每月應進行外觀檢查,無碰撞變形及機械性損傷、表面無銹蝕方可繼續使用;
2)每五年進行一次全面檢查維修,包括動作試驗等,更換密封件及其他易損件等。
5.3 增壓氣體瓶組
5.3.1.用途:
用于貯存增壓氣體(高壓氮氣),電動或手動啟動,釋放增壓氣體通過滅火劑瓶組的減壓閥注入滅火劑瓶組,待瓶組內壓力上升到4.2MPa即打開壓力啟動器,通過管路氣動打開容器閥釋放滅火劑。具有封存、釋放、充裝、壓力顯示等功能。
5.3.2. 結構:
由容器閥、貯存容器組成。貯存容器為可重復充裝的無縫鋼質氣瓶。容器閥由閥體、啟動裝置、活塞、安全泄放裝置等組成,安裝在貯存容器瓶口上可氣動、手動開啟容器閥釋放增壓氣體,閥體材質為銅合金。
5.3.3. 主要技術參數:
型號規格 | 充裝壓力(+20℃) | 最大工作壓力(+50℃) | 容器閥型號 | 公稱通徑 | 外徑 | 高度 |
QZP70/15 | 13.5MPa | 15MPa | HRF12/17.2 | 12mm | 280mm | 1700mm |
5.3.4. 使用說明:
緊急情況下,可拔出啟動座上的保險銷、壓下手柄打開容器閥釋放氮氣。
5.3.5. 維護說明:
1)每月進行兩次外觀檢查,應無碰撞變形及其他機械性損傷,表面應無銹蝕,保護涂層應完好,銘牌應清晰,手動操作裝置的防護罩、鉛封和安全標志應完整。
2)每五年進行一次全面檢查維修,包括強度試驗、密封性試驗、動作試驗等,更換密封件、膜片及其他易損件等。
5.3.6. 注意事項:
容器閥上的保險銷是用于鎖定凸輪撥桿的,僅在機械手動啟動容器閥時必須先拉出保險銷才能扳下凸輪撥桿,而鎖定凸輪撥桿并不影響容器閥的氣動啟動。
5.4 驅動氣體瓶組
5.4.1.用途:
用于貯存啟動氣體(高壓氮氣),電動或手動啟動,釋放啟動氣體打開選擇閥、增壓氣體瓶組、滅火劑瓶組,具有封存、釋放、充裝、壓力顯示等功能。
5.4.2. 結構:
由啟動容器閥和啟動氣體貯存容器組成,啟動容器閥的材質為銅合金,刀片和膜片材質為不銹鋼,貯存容器是可重復充裝的鋼質無縫容器。該裝置具有結構精巧動作可靠,驅動電流小的特點。
5.4.3. 主要技術參數:

5.4.4. 使用說明:
1)壓力表應朝向操作面,電氣連接線應沿固定瓶組或驅動裝置的支架、框架及墻面固定,應有對應防護區或保護對象名稱或編號的永久性標志。
2)電磁鐵的兩根引線不分極性。
3)緊急情況下,可拉出安全卡簧、壓下手動壓把即可打開啟動容器閥。
5.4.5. 維護說明:
1)每月進行外觀檢查,無碰撞變形及機械性損傷、表面無銹蝕、保護涂層完好、安全卡簧及鉛封完整方可繼續使用。
2)壓力檢測時,需逆時針松開壓力表開關,壓力表即可顯示容器內的壓力,然后須關上開關、擰松壓力表,使壓力表復零位。當壓力表指針掉出表盤綠區時需補氣或全面檢查、充裝。
3)充裝啟動氮氣時,應卸下壓力表接上氣源,再逆時針松開壓力表開關即可充裝。充裝完畢,關閉壓力表開關,裝上壓力表并固緊。
5.4.6. 注意事項:
啟動容器閥上裝有安全銷是為防止運輸、安裝、調試過程中因碰撞、震動等使閘刀誤動作而設。系統投入使用前,需抽出安全銷,否則啟動容器閥不能打開。
5.5電磁型驅動裝置
5.5.1. 用途:
安裝驅動氣體瓶組的容器閥上,用于控制驅動氣體瓶組啟動釋放。
5.5.2. 結構:
由手動頂塊、保險銷、電磁鐵組件、頂刀、彈簧等組成,閥體材質為銅合金。
5.5.3. 主要技術參數:
型號規格 | 電磁元件 | 驅動力 | 擊穿裝置 |
QDQ75 | 直流干式閥用電磁MFZ1-7.5 | 75N | 刺破針 |
5.5.4. 使用說明:
1)電磁鐵的兩根引線不分極性;
2)安裝后應仔細逐
產品推薦

