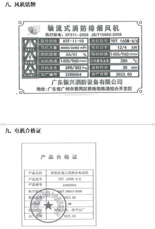
一. 簡介
軸流式消防排煙風機具有風量大,壓力適中、結構緊湊、安裝方便等優點,能吸、排280℃左右的空氣,并可在些高溫中持續運轉不低于30分鐘,可廣泛用于地下車庫,豎井、烘箱等場合,亦可作為通風換氣和工礦企業排放高溫氣體使用。
二. 貯存
鳳機到工地后不立即安裝。必須存放在通風干燥場所,并做好防護、防潮措施。
三. 使用說明
1、輸送氣體的種類:空氣和其它不自燃的對人體無害的對鋼材無腐蝕性的氣體。
2、氣體內的雜質:氣體內不允許有粘性物質,所含的塵土及硬質顆粒物不大于150mg/m3。
3、氣體的溫度:不超過280℃。
4、機內采用吸入自然空氣降溫。
四. 安裝說明
1、風機安裝時應對各部件進行全面檢查,機件是否完整,各部件聯接是否堅固。
2、安裝前用兆歐表對風機電機絕緣電阻進行檢查。
3、鳳機安裝時應注意保持風機的水平位置,對風機與地基的結合面和出風管道的聯接等應調 整使用之自然吻合,不得有強行聯接,不允許將管道重量加在風機的部件上、并應檢查風機內部是否掉進預留的工具和其它物件。
4、電源接線注意倒、順轉、風機葉輪轉向必須與標牌箭頭表示方向一致。
5、電源接線必須三相穩國,不得有缺相現象存在。
6、電源控制柜必須安裝相對應的跟流保護裝置。
五.使用與維護
1、風機試驗運轉應在總體檢查合格后進行,撥動葉輪是否有葉輪碰擦機殼現象,如發現不妥,必須調整好。
2、 鳳機在運轉時如發現有劇烈的振動,撞擊等反?,F象,必須立即停車檢查
3、風機在露天使用應有防雨措
4、風機長期不用,應有防潮措施
5、按期清除鳳機內部積灰、污垢等雜質,并防止銹蝕。
五. 維護保養
a安裝前應認真檢查風葉及機殼有否因運輸而損壞變形,檢查螺栓是否緊固,否則應待修復后方可安裝使用。
6.排煙口與排煙風機應沒有聯鎖裝置,當任何一個排煙口開啟時,排煙風機即能自動啟動。
六. 應用范圍
軸流風機廣泛用于工廠、礦井、隧道、冷卻塔、車輛、船舶和建筑物的通風、排塵和冷卻;鍋爐和工業爐窯的通風和引風;空氣調節設備和家用電器設備中的冷卻和通風;谷物的烘干和選送;風洞風源和氣墊船的充氣和推進等。
七. 調試方法
00001. ?檢查機械靈活性?
調試前需手動撥動葉片,確認無卡殼或摩擦現象,并檢查風機及管道內是否遺留雜物?。
00002. ?驗證安裝穩固性?
確保風機支架、連接管道固定牢固,無松動現象,同時檢查軸線對中情況,避免偏斜?。
?潤滑軸承?
啟動前檢查軸承潤滑狀態,補充適量潤滑油,確保軸承運轉靈活?。

產品推薦

